Product Center
Transformer HV LT Epoxy Bushing with Copper Stud (1kV/1000~3150A T type connected bushing)
It is the insulating sleeve that leads the transformer's internal high and low voltage leads to the outside of the oil tank, which not only insulates the ground as the lead, but also plays the role of fixing the lead.<br> Therefore, the transformer sleeve has the following requirements:<br> (1) it must have specified electrical strength and sufficient mechanical strength.<br> (2) must have good thermal stability, and can withstand the short circuit of the instant overheating.<br> (3) small appearance, small quality, good sealing performance, strong universality and easy maintenance folding.
Keywords
Category
Product description

Epoxy Bushing
Epoxy bushings are indispensable key components on the low-voltage side of transformers. They utilize the epoxy resin's excellent comprehensive properties (electrical, mechanical, sealing, and weather resistance) to provide a safe and reliable pathway for low-voltage, high-current conductors, offering insulation, support, sealing, and connection. Their characteristics of stable performance, maintenance-free operation (compared to older oil-impregnated paper bushings), and flexible design make them an extremely common and successful standard solution for the low-voltage side of modern transformers, especially dry-type and distribution transformers.
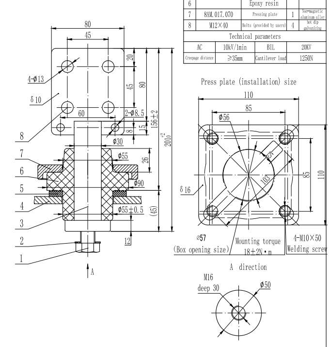
Transformer HV LT Epoxy Bushing with Copper Stud outline dimensions ( 1kV/1000~3150A T type connected bushing )
| Sequence Number | Code | Model | Dimensions | Opening | Creep distance | Weight (kg) | ||||||
| H | d | d1 | d2 | d3 | B1×B2 | t | d0 | |||||
| 1 | AM.FAF.006 | BFG-1/1000 | 201 | 30 | 55 | 50 | 55 | 80×80 | 10 | 57 | 35 | 1.7 |
| 2 | AM.FAH.009 | BFG-1/1600 | 201 | 36 | 70 | 65 | 70 | 80×80 | 12 | 72 | 35 | 2.2 |
| 3 | AM.FAJ.007 | BFG-1/2000 | 221 | 42 | 70 | 65 | 70 | 100×100 | 12 | 72 | 35 | 3.1 |
| 4 | AM.FAL.007 | BFG-1/3150 | 221 | 48 | 70 | 65 | 70 | 100×100 | 16 | 72 | 30 | 4 |
1. High Performance
Working temperature range from -40~130℃;
Excellent injection equipment to ensure no pores inside the insulation body;
Special surface treatment to ensure the bushing should not leak in long term service;
2. Rigous Test
Dielectric Tests
Basic Impulse level test: for 1.2kV class the impulse voltage is 30kV (full wave), and for 2.5kV class, the impulse voltage is 45kV (full wave);
High voltage 50Hz & 60Hz withstand test: for 1.2kV class, test voltage is 10kV/1min., for 2.5kV class, the test voltage is 2.0 kV/ 1min.
Mechanical Strengthen Tests
Leakage test; Stud push-out test; Stud torque strength test; Cantilever test; Flange torque test
Environmental test
It includes thermal cycle test. The tested temperature range is -40~130℃, withstand 20 cycles

Note: Other specifications can be customized according to customer needs.
Related download