Product Center
Epoxy Bushing BFG-2.5/5200 Grey Color
Low Voltage Bushings Up to 5kV Class Low voltage bushings are essential components for ensuring reliable electrical connections on the low voltage side in power systems and liquid-filled transformers up to 5 kV. Designed to meet the unique demands of low voltage applications, bushings provide superior insulation and mechanical support, enabling efficient power transmission while maintaining safety and system integrity. Engineered to withstand mechanical stress and manufactured with durable materials, our low voltage bushings are rigorously tested to meet industry standards and provide optimal performance and reliability.
Keywords
Category
Product description
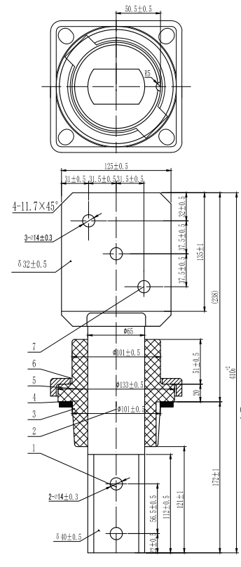
Rated voltage:2.5kV
Rated current:5200A
Power frequency withstandvoltage:12kV/1min
Lightning impulse:45kV
Cantilever tolerance:3150N
Creepage distance:≥61mm

Epoxy Bushing
Epoxy bushings are indispensable key components on the low-voltage side of transformers. They utilize the epoxy resin's excellent comprehensive properties (electrical, mechanical, sealing, and weather resistance) to provide a safe and reliable pathway for low-voltage, high-current conductors, offering insulation, support, sealing, and connection. Their characteristics of stable performance, maintenance-free operation (compared to older oil-impregnated paper bushings), and flexible design make them an extremely common and successful standard solution for the low-voltage side of modern transformers, especially dry-type and distribution transformers.
| Sequence Number | Code | Model | Dimensions | Opening | arcing distance | Creep distance | terminal angel | Weight (kg) | ||||||
| H | h2 | h4 | h5 | d | t | t1 | d0 | h1 | ||||||
| 1 | AM.FAP.045 | BFG-1.2/5500 | 401 | 176 | 225 | 36 | 60 | 25 | 25 | 102 | 38 | 45 | 0° | |
| 2 | AM.FAP.046 | BFG-1.2/5500 | 401 | 176 | 225 | 36 | 60 | 25 | 25 | 102 | 38 | 45 | 90° | |
| 3 | AM.FBP.013 | BFG-2.5/5500 | 445 | 193 | 252 | 53 | 60 | 25 | 25 | 103 | 61 | 70 | 0° | |
| 4 | AM.FBP.014 | BFG-2.5/5500 | 445 | 193 | 252 | 53 | 60 | 25 | 25 | 103 | 61 | 70 | 90° | |
| 5 | AM.FBP.015 | BFG-2.5/6000 | 445 | 193 | 252 | 53 | 65 | 25 | 30 | 103 | 61 | 70 | 0° | |
| 6 | AM.FBP.016 | BFG-2.5/6000 | 445 | 193 | 252 | 53 | 65 | 25 | 30 | 103 | 61 | 70 | 90° | |
| 7 | AM.FBQ.021 | BFG-2.5/6500 | 445 | 193 | 252 | 53 | 70 | 30 | 30 | 103 | 61 | 70 | 0° | |
| 8 | AM.FBQ.022 | BFG-2.5/6500 | 445 | 193 | 252 | 53 | 70 | 30 | 30 | 103 | 61 | 70 | 90° | |
| 9 | AM.FBQ.027 | BFG-2.5/7000 | 615 | 247 | 368 | 102 | 75 | 25 | 25 | 125 | 95 | 100 | 0° | |
| 10 | AM.FBQ.028 | BFG-2.5/7000 | 615 | 247 | 368 | 102 | 75 | 25 | 25 | 125 | 95 | 100 | 90° | |
| 11 | AM.FBQ.029 | BFG-2.5/7500 | 615 | 247 | 368 | 102 | 80 | 30 | 30 | 125 | 95 | 100 | 0° | |
| 12 | AM.FBQ.030 | BFG-2.5/7500 | 615 | 247 | 368 | 102 | 80 | 30 | 30 | 125 | 95 | 100 | 90° | |
| 13 | AM.FBQ.031 | BFG-2.5/8000 | 615 | 247 | 368 | 102 | 85 | 30 | 30 | 125 | 95 | 100 | 0° | |
| 14 | AM.FBQ.032 | BFG-2.5/8000 | 615 | 247 | 368 | 102 | 85 | 30 | 30 | 125 | 95 | 100 | 90° | |
| 15 | AM.FBR.003 | BFG-2.5/8500 | 615 | 247 | 368 | 102 | 90 | 30 | 30 | 125 | 95 | 100 | 0° | |
| 16 | AM.FBR.004 | BFG-2.5/8500 | 615 | 247 | 368 | 102 | 90 | 30 | 30 | 125 | 95 | 100 | 90° | |
| 17 | AM.FBQ.033 | BFG-2.5/7000 | 585 | 217 | 368 | 72 | 75 | 25 | 25 | 125 | 95 | 100 | 0° | |
| 18 | AM.FBQ.034 | BFG-2.5/7000 | 585 | 217 | 368 | 72 | 75 | 25 | 25 | 125 | 95 | 100 | 90° | |
| 19 | AM.FBQ.035 | BFG-2.5/7500 | 585 | 217 | 368 | 72 | 80 | 25 | 25 | 125 | 95 | 100 | 0° | |
| 20 | AM.FBQ.036 | BFG-2.5/7500 | 585 | 217 | 368 | 72 | 80 | 25 | 25 | 125 | 95 | 100 | 90° | |
| 21 | AM.FBQ.037 | BFG-2.5/8000 | 585 | 217 | 368 | 72 | 85 | 30 | 30 | 125 | 95 | 100 | 0° | |
| 22 | AM.FBQ.038 | BFG-2.5/8000 | 585 | 217 | 368 | 72 | 85 | 30 | 30 | 125 | 95 | 100 | 90° | |
| 23 | AM.FBR.007 | BFG-2.5/8500 | 585 | 217 | 368 | 72 | 90 | 30 | 30 | 125 | 95 | 100 | 0° | |
| 24 | AM.FBR.008 | BFG-2.5/8500 | 585 | 217 | 368 | 72 | 90 | 30 | 30 | 125 | 95 | 100 | 90° | |
1. High Performance
Working temperature range from -40~130℃;
Excellent injection equipment to ensure no pores inside the insulation body;
Special surface treatment to ensure the bushing should not leak in long term service;
2. Rigous Test
Dielectric Tests
Basic Impulse level test: for 1.2kV class the impulse voltage is 30kV (full wave), and for 2.5kV class, the impulse voltage is 45kV (full wave);
High voltage 50Hz & 60Hz withstand test: for 1.2kV class, test voltage is 10kV/1min., for 2.5kV class, the test voltage is 2.0 kV/ 1min.
Mechanical Strengthen Tests
Leakage test; Stud push-out test; Stud torque strength test; Cantilever test; Flange torque test
Environmental test
It includes thermal cycle test. The tested temperature range is -40~130℃, withstand 20 cycles
Dry type Resin bushing outline dimensions ( 3kV/1000~5000A plate connected bushing )
Note: Other specifications can be customized according to customer needs.
Related download

