Product Center
Epoxy bushing for transformer (1kV/630~5000A plate connected bushing)
It is the insulating sleeve that leads the transformer's internal high and low voltage leads to the outside of the oil tank, which not only insulates the ground as the lead, but also plays the role of fixing the lead.<br> Therefore, the transformer sleeve has the following requirements:<br> (1) it must have specified electrical strength and sufficient mechanical strength.<br> (2) must have good thermal stability, and can withstand the short circuit of the instant overheating.<br> (3) small appearance, small quality, good sealing performance, strong universality and easy maintenance folding.
Keywords
Category
Product description

1. High Performance
Working temperature range from -40~130℃;
Excellent injection equipment to ensure no pores inside the insulation body;
Special surface treatment to ensure the bushing should not leak in long term service;
2. Rigous Test
Dielectric Tests
Basic Impulse level test: for 1.2kV class the impulse voltage is 30kV (full wave), and for 2.5kV class, the impulse voltage is 45kV (full wave);
High voltage 50Hz & 60Hz withstand test: for 1.2kV class, test voltage is 10kV/1min., for 2.5kV class, the test voltage is 2.0 kV/ 1min.
Mechanical Strengthen Tests
Leakage test; Stud push-out test; Stud torque strength test; Cantilever test; Flange torque test
Environmental test
It includes thermal cycle test. The tested temperature range is -40~130℃, withstand 20 cycles
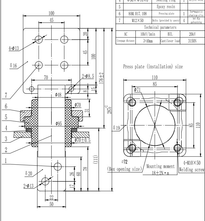
Epoxy bushing for transformer outline dimensions ( 1kV/630~5000A plate connected bushing )
| Sequence Number | Code | Model | Dimensions | Opening | Creep distance | Terminal angel | Weight (kg) | ||||||||||||
| H | h2 | h3 | d | d1 | d3 | B1×B2 | b | t | B3×B4 | b3×b4 | t1 | c1×c2 | d0 | ||||||
| 1 | AM.FAD.003 | BFG-1/630 | 255 | 104 | 71 | 20 | 43 | 43 | 40×80 | 40 | 8 | 30×58 | 25 | 10 | 50×70 | 45 | 35 | 0 | 1 |
| 2 | AM.FAD.004 | BFG-1/630 | 255 | 104 | 71 | 20 | 43 | 43 | 40×80 | 40 | 8 | 30×58 | 25 | 10 | 50×70 | 45 | 35 | 90 | 1 |
| 3 | AM.FAF.003 | BFG-1/1000 | 267 | 111 | 78 | 30 | 55 | 55 | 80×80 | 45 | 10 | 50×60 | 22×26 | 10 | 80×80 | 57 | 35 | 0 | 2 |
| 4 | AM.FAF.004 | BFG-1/1000 | 267 | 111 | 78 | 30 | 55 | 55 | 80×80 | 45 | 10 | 50×60 | 22×26 | 10 | 80×80 | 57 | 35 | 90 | 2 |
| 5 | AM.FAH.003 | BFG-1/1600 | 267 | 111 | 78 | 36 | 70 | 70 | 80×80 | 45 | 12 | 50×60 | 22×26 | 12 | 80×80 | 72 | 35 | 0 | 2.5 |
| 6 | AM.FAH.004 | BFG-1/1600 | 267 | 111 | 78 | 36 | 70 | 70 | 80×80 | 45 | 12 | 50×60 | 22×26 | 12 | 80×80 | 72 | 35 | 90 | 2.5 |
| 7 | AM.FAJ.003 | BFG-1/2000 | 287 | 111 | 78 | 42 | 70 | 70 | 100×100 | 45 | 12 | 50×60 | 22×26 | 15 | 80×80 | 72 | 35 | 0 | 3.5 |
| 8 | AM.FAJ.004 | BFG-1/2000 | 287 | 111 | 78 | 42 | 70 | 70 | 100×100 | 45 | 12 | 50×60 | 22×26 | 15 | 80×80 | 72 | 35 | 90 | 3.5 |
| 9 | AM.FAL.003 | BFG-1/3150 | 287 | 111 | 78 | 48 | 70 | 70 | 100×100 | 45 | 16 | 50×60 | 22×26 | 20 | 80×80 | 72 | 30 | 0 | 4.5 |
| 10 | AM.FAL.004 | BFG-1/3150 | 287 | 111 | 78 | 48 | 70 | 70 | 100×100 | 45 | 16 | 50×60 | 22×26 | 20 | 80×80 | 72 | 30 | 90 | 4.5 |
| 11 | AM.FAM.003 | BFG-1/4000 | 364 | 148 | 115 | 52 | 80 | 80 | 125×125 | 60 | 20 | 75×85 | 40×45 | 20 | 130 | 82 | 35 | 0 | 8.5 |
| 12 | AM.FAM.004 | BFG-1/4000 | 364 | 148 | 115 | 52 | 80 | 80 | 125×125 | 60 | 20 | 75×85 | 40×45 | 20 | 130 | 82 | 35 | 90 | 8.5 |
| 13 | AM.FAN.001 | BFG-1/5000 | 364 | 148 | 115 | 56 | 80 | 80 | 125×125 | 60 | 20 | 75×85 | 40×45 | 20 | 130 | 82 | 35 | 0 | 9 |
| 14 | AM.FAN.002 | BFG-1/5000 | 364 | 148 | 115 | 56 | 80 | 80 | 125×125 | 60 | 20 | 75×85 | 40×45 | 20 | 130 | 82 | 35 | 90 | 9 |
Bushings
Our comprehensive bushings product line comprises the following:
1. Solid/bulk bushings designed for both the primary and secondary sides of distribution and power transformers.
2. Plug-in bushings specifically engineered for separable connectors, ideal for use in pad-mounted transformers or other dead-front transformer designs.
3. Bushings tailored for switchgear connections and breaker operation.
4. Insulators are available for replacements, along with bushing hardware for spare parts.
We take pride in offering these high-quality products to meet the diverse needs of our valued customers.

Note: Other specifications can be customized according to customer needs.
Related download