Product Center
Epoxy Bushing
It is the insulating sleeve that leads the transformer's internal high and low voltage leads to the outside of the oil tank, which not only insulates the ground as the lead, but also plays the role of fixing the lead.<br> Therefore, the transformer sleeve has the following requirements:<br> (1) it must have specified electrical strength and sufficient mechanical strength.<br> (2) must have good thermal stability, and can withstand the short circuit of the instant overheating.<br> (3) small appearance, small quality, good sealing performance, strong universality and easy maintenance folding.
Keywords
Category
Product description
.
Low Voltage Bushings Up to 5kV Class
Low voltage bushings are essential components for ensuring reliable electrical connections on the low voltage side in power systems and liquid-filled transformers up to 5 kV. Designed to meet the unique demands of low voltage applications, bushings provide superior insulation and mechanical support, enabling efficient power transmission while maintaining safety and system integrity. Engineered to withstand mechanical stress and manufactured with durable materials, our low voltage bushings are rigorously tested to meet industry standards and provide optimal performance and reliability.
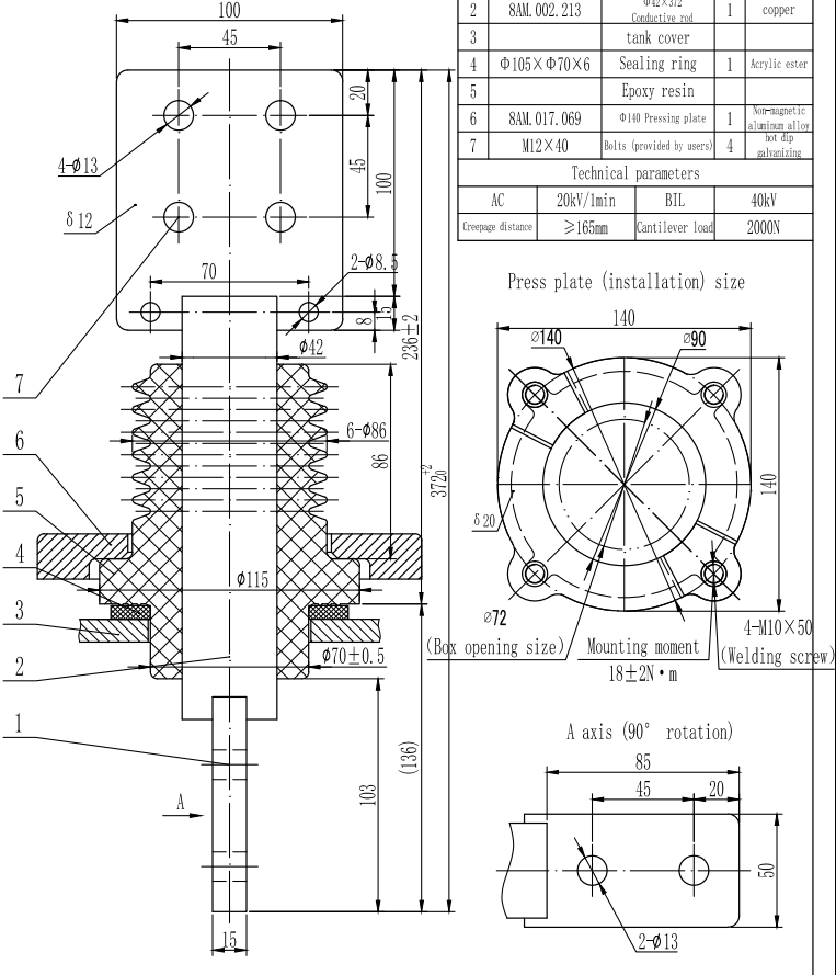
Dry type Resin bushing outline dimensions ( 3kV/1000~5000A plate connected bushing )
| Sequence Number | Code | Model | Dimensions | Opening | Creep distance | Terminal angel | Weight (kg) | ||||||||||||
| H | h2 | h3 | d | d1 | d3 | B1×B2 | b | t | B3×B4 | b3×b4 | t1 | c1 | d0 | ||||||
| 1 | AM.FBF.001 | BFG-3/1000 | 352 | 136 | 103 | 30 | 78 | 55 | 80×80 | 45 | 10 | 50×85 | 45 | 10 | 130 | 57 | 175 | 0 | 3 |
| 2 | AM.FBF.002 | BFG-3/1000 | 352 | 136 | 103 | 30 | 78 | 55 | 80×80 | 45 | 10 | 50×85 | 45 | 10 | 130 | 57 | 175 | 90 | 3 |
| 3 | AM.FBH.001 | BFG-3/1600 | 352 | 136 | 103 | 36 | 86 | 70 | 80×80 | 45 | 12 | 50×85 | 45 | 12 | 140 | 72 | 165 | 0 | 4 |
| 4 | AM.FBH.002 | BFG-3/1600 | 352 | 136 | 103 | 36 | 86 | 70 | 80×80 | 45 | 12 | 50×85 | 45 | 12 | 140 | 72 | 165 | 90 | 4 |
| 5 | AM.FBJ.001 | BFG-3/2000 | 372 | 136 | 103 | 42 | 86 | 70 | 100×100 | 45 | 12 | 50×85 | 45 | 15 | 140 | 72 | 165 | 0 | 5 |
| 6 | AM.FBJ.002 | BFG-3/2000 | 372 | 136 | 103 | 42 | 86 | 70 | 100×100 | 45 | 12 | 50×85 | 45 | 15 | 140 | 72 | 165 | 90 | 5 |
| 7 | AM.FBL.001 | BFG-3/3150 | 372 | 136 | 103 | 48 | 86 | 70 | 100×100 | 45 | 16 | 50×85 | 45 | 20 | 140 | 72 | 155 | 0 | 6 |
| 8 | AM.FBL.002 | BFG-3/3150 | 372 | 136 | 103 | 48 | 86 | 70 | 100×100 | 45 | 16 | 50×85 | 45 | 20 | 140 | 72 | 155 | 90 | 6 |
Epoxy Bushing
Epoxy bushings are indispensable key components on the low-voltage side of transformers. They utilize the epoxy resin's excellent comprehensive properties (electrical, mechanical, sealing, and weather resistance) to provide a safe and reliable pathway for low-voltage, high-current conductors, offering insulation, support, sealing, and connection. Their characteristics of stable performance, maintenance-free operation (compared to older oil-impregnated paper bushings), and flexible design make them an extremely common and successful standard solution for the low-voltage side of modern transformers, especially dry-type and distribution transformers.

Note: Other specifications can be customized according to customer needs.
Related download